Free Shipping On Orders Over $1500. Limited Time Only.

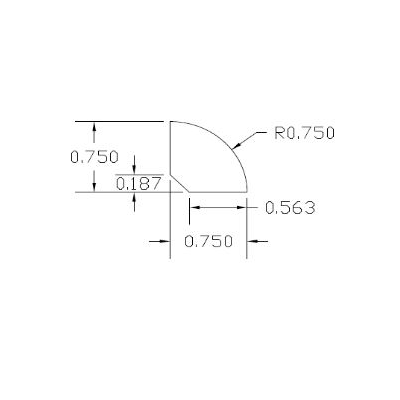
LifeCore Anew Trim Quarter Round

Disclaimer: Images may be stock photos and may not represent the exact product. Variations in color, pattern, and appearance may occur.

$49.99

Total Price:  $49.99

Product Must Be Purchased With Flooring.
Any order without flooring will be canceled.
All trim is non-returnable and non-refundable.

Vendor : LifeCore

78"

Moldings and trims must be purchased with flooring.
Any order without will be canceled.

Quarter Round: Molding used around the perimeter of the room where the flooring meets the wall. Moldings and trims are color coordinated to your new hardwood floor and are used to join areas of flooring with other surfaces for a professionally finished, elegant look.



Sku: S2WOE39073QR

Vendor : LifeCore